六角穴付止めねじ くぼみ先 極細目
特徴
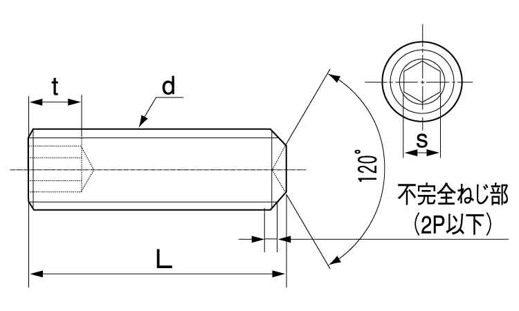
ホーローセット・いもねじとも呼ばれ、六角穴部分のレンチサイズは呼び径の半分です。
ネジ部の中央にくぼみをつけたもので、記載のない場合はくぼみ先を通常使用します。
※ 細目タイプ ネジピッチにつきましては、規格表を確認願います。
ネジ部の中央にくぼみをつけたもので、記載のない場合はくぼみ先を通常使用します。
※ 細目タイプ ネジピッチにつきましては、規格表を確認願います。
「六角穴付止めねじ くぼみ先 極細目」 商品一覧
商品件数:4


















